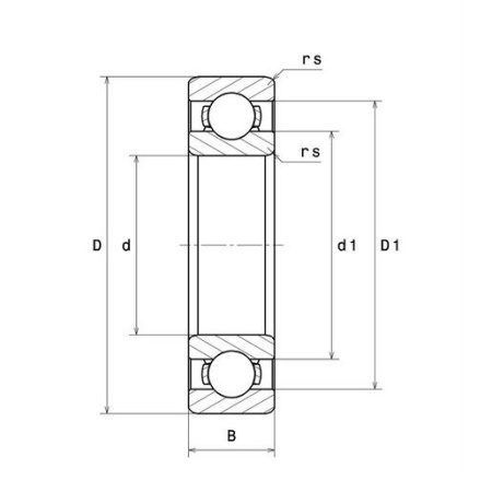
Размеры изделия:
- внутренний диаметр (d): 75 мм;
- наружный диаметр (D): 95 мм;
- ширина подшипника/внутреннего кольца (B): 10 мм;
- минимальный радиус галтели (rs): 0,6 мм;
- класс радиального зазора: CN;
- вес: 0,145 кг.
Производительность продукта:
- динамическая грузоподъёмность (C): 13,9 кН;
- статическая грузоподъёмность (C0): 12,9 кН;
- предельная усталостная нагрузка (Cu): 0,855 кН;
- коэффициент (f0): 16 кН;
- предельная скорость при смазывании консистентной смазкой (N lim): 3600 об/мин;
- мин. рабочая температура (Tmin): -25 °C;
- макс. рабочая температура (Tmax): 110 °C.
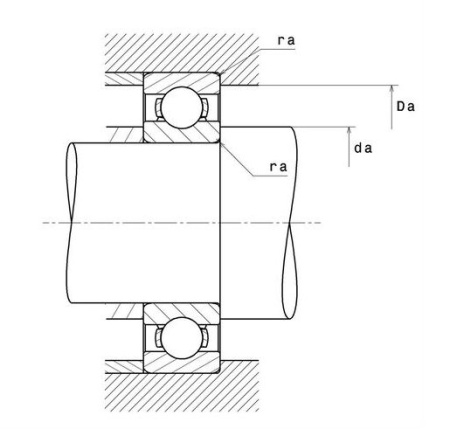
Размеры окружающих деталей:
- минимальный диаметр буртика вала (da min): 79 мм;
- максимальный диаметр буртика вала (da max): 80 мм;
- максимальный диаметр буртика корпуса (Da max): 91 мм;
- максимальный радиус галтели вала и корпуса (ra max): 0,6 мм.
|
Бренд
|
NTN |
|
Внутренний диаметр, мм
|
75 |
|
Наружный диаметр, мм
|
95 |
|
Ширина, мм
|
10 |