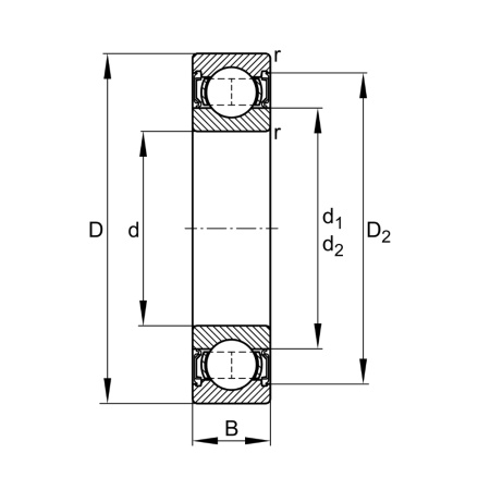
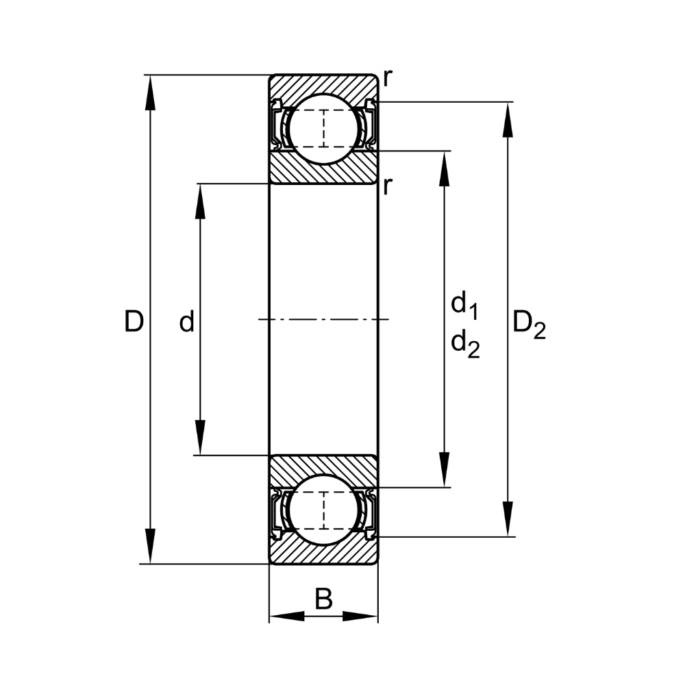
Основные размеры и рабочие характеристики:
- диаметр отверстия: 45 мм;
- наружный диаметр: 75 мм;
- ширина: 16 мм;
- динамическая грузоподъемность, радиальная: 21.200 Н;
- статическая грузоподъемность, радиальная: 14.400 Н;
- предел усталостной нагрузки, радиальный: 750 Н;
- предельная частота вращения: 4.950 1/min;
- вес: 0,24 кг.
Присоединительные размеры:
- мин. диаметр заплечика вала: 49,6 мм;
- макс. диаметр заплечика корпуса: 70,4 мм;
- макс. радиус галтели: 1 мм.
Габаритные размеры:
- минимальный размер фаски: 1 мм;
- диаметр заплечика для наружного кольца: 65,6 мм;
- диаметр кромки у наружного кольца: 67,98 мм;
- диаметр заплечика внутреннего кольца: 54,2 мм.
Диапазон температур:
- мин. рабочая температура: -20 °C °С;
- макс. рабочая температура: 100 °C °С.
Коэффициенты для расчета:
- коэффициент для расчета: 15,3.
|
Бренд
|
FAG |
|
Внутренний диаметр, мм
|
45 |
|
Наружный диаметр, мм
|
75 |
|
Ширина, мм
|
16 |