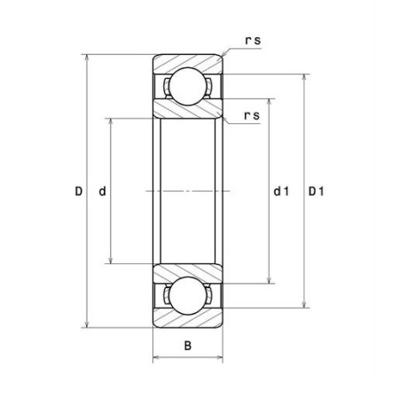
Размеры изделия:
- марка: NTN;
- внутренний диаметр (d): 160 мм;
- наружный диаметр (D): 290 мм;
- ширина подшипника/внутреннего кольца (B): 48 мм;
- минимальный радиус галтели (rs): 3 мм;
- класс радиального зазора: C3;
- вес: 11,7 кг.
Производительность продукта:
- динамическая грузоподъёмность (C): 205 кН;
- статическая грузоподъёмность (C0): 186 кН;
- предельная усталостная нагрузка (Cu): 9,45 кН;
- коэффициент (f0): 15.4 кН;
- предельная скорость при смазывании маслом (N lim): 2500 об/мин;
- предельная скорость при смазывании консистентной смазкой (N lim): 2100 об/мин;
- мин. рабочая температура (Tmin): -40 °C;
- макс. рабочая температура (Tmax): 120 °C.
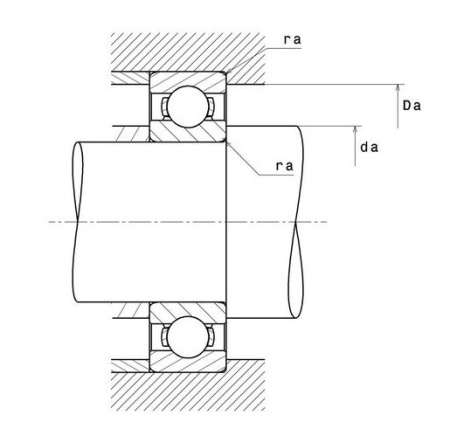
Размеры окружающих деталей:
- минимальный диаметр буртика вала (da min): 173 мм;
- максимальный диаметр буртика корпуса (Da max): 277 мм;
- максимальный радиус галтели вала и корпуса (ra max): 2,5 мм.
|
Бренд
|
NTN |
|
Внутренний диаметр, мм
|
160 |
|
Наружный диаметр, мм
|
290 |
|
Ширина, мм
|
48 |