Радиальный шарикоподшипник NTN-SNR предназначен для восприятия радиальных нагрузок и работы на высоких скоростях. Изготавливается из высококачественных материалов, что обеспечивает устойчивость к износу и коррозии. Отличается надёжностью, долговечностью, низким уровнем шума и энергоэффективностью.
Применяется в автомобилях, промышленном оборудовании и бытовых устройствах, соответствуя международным стандартам качества.
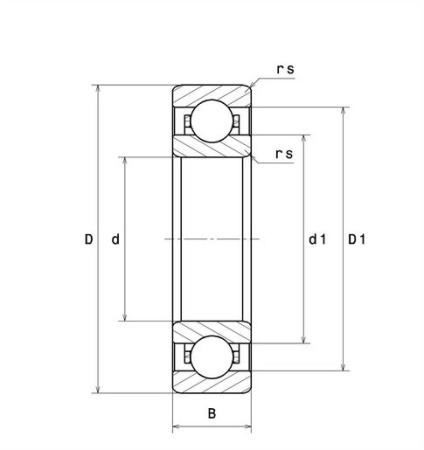
Размеры
- Внутренний диаметр: 150 мм;
- Наружный диаметр: 320 мм;
- Ширина подшипника/внутреннего кольца: 65 мм;
- Минимальный радиус галтели: 4 мм;
- Класс радиального зазора: C3;
- Вес: 22 кг.
Производительность продукта
- Динамическая грузоподъёмность: 305 кН;
- Статическая грузоподъёмность: 284 кН;
- Предельная усталостная нагрузка: 8,4 кН;
- Коэффициент: 13.9;
- Мин. рабочая температура: -40 °C;
- Макс. рабочая температура: 120 °C.
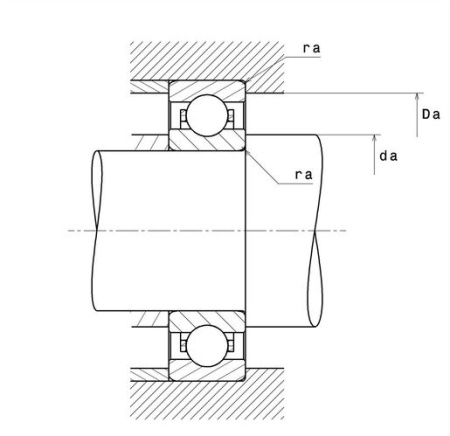
Размеры окружающих деталей
- Минимальный диаметр буртика вала: 166 мм;
- Максимальный диаметр буртика корпуса: 304 мм;
- Максимальный радиус галтели вала и корпуса: 3 мм.
|
Бренд
|
NTN |
|
Уплотнение
|
без уплотнений (открытый) |
|
Зазор / преднатяг
|
C3 - зазор больше нормального |
|
Внутренний диаметр, мм
|
150 |
|
Наружный диаметр, мм
|
320 |
|
Ширина, мм
|
65 |
|
Вес, кг
|
26.79 |