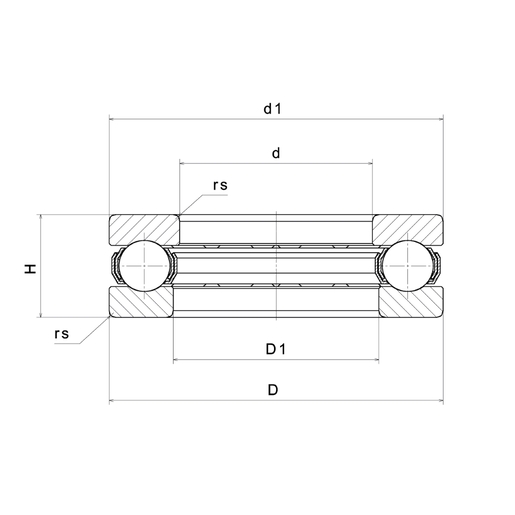
Размеры:
- марка: SNR;
- внутренний диаметр (d): 40 мм;
- наружный диаметр (D): 60 мм;
- внутренний диаметр наружного кольца (D1): 42 мм;
- наружный диаметр внутреннего кольца (d1): 60 мм;
- высота упорного подшипника (T): 13 мм;
- минимальный радиус галтели (rs): 0,6 мм;
- вес: 0,11 кг.
Производительность продукта:
- номинальная динамическая осевая грузоподъемность (Ca): 26,9 кН;
- номинальная статическая осевая грузоподъемность (C0a): 62,9 кН;
- мин. рабочая температура (Tmin): -40 °C;
- макс. рабочая температура (Tmax): 120 °C.
Частоты подшипников:
- частота вращения по внешнему кольцу (60 об/мин) (BPFO): 10 Гц;
- частота вращения внутреннему кольцу (60 об/мин) (BPFI): 10 Гц;
- частота вращения тела качения (60 об/мин) (BSF): 6,998 Гц;
- частота вращения: качающийся элемент (BRF): 3,499 Гц;
- частота вращения сепаратора (60 об/мин) (FTF): 0,5 Гц.
Размеры окружающих деталей:
- максимальный радиус галтели вала и корпуса (ra max): 0,6 мм;
- максимальный диаметр буртика корпуса (Da max): 48 мм;
- минимальный диаметр буртика вала (da min): 52 мм.
|
Бренд
|
SNR |
|
Внутренний диаметр, мм
|
40 |
|
Наружный диаметр, мм
|
60 |
|
Ширина, мм
|
13 |