Однорядные радиальные шарикоподшипники особенно универсальны, отличаются низким трением, а их конструкция оптимизирована для обеспечения низкого уровня шума и вибрации, что позволяет им работать с высокими частотами вращения. Они воспринимают радиальные и осевые нагрузки в обоих направлениях, отличаются простотой монтажа и меньшей потребностью в техобслуживании по сравнению с многими подшипниками других типов.
- простая, универсальная и прочная конструкция;
- низкий коэффициент трения;
- высокие частоты вращения;
- выдерживают радиальные и осевые нагрузки в обоих направлениях;
- не требуют сложного техобслуживания.
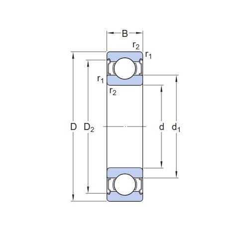
Размеры:
- диаметр отверстия (d): 10 мм;
- наружный диаметр (D): 19 мм;
- ширина (B): 5 мм;
- диаметр заплечика (d1): ≈12,74 мм;
- диаметр выточки (D2): ≈17,15 мм;
- размер фаски (r1,2): мин. 0,3 мм.
Размеры опоры:
- диаметр опоры на валу (da мин.): 12 мм;
- диаметр опоры на валу (da макс.): 12,5 мм;
- диаметр опоры корпуса (Da макс.): 17 мм;
- радиус галтели вала или корпуса (ra макс.): 0,3 мм.
Расчётные данные:
- номинальная динамическая грузоподъёмность (C): 1,72 кН;
- номинальная статическая грузоподъёмность (C0): 0,83 кН;
- предел усталостной прочности (Pu): 0,036 кН;
- номинальная частота вращения: 80000 об/мин;
- предельная частота вращения: 38000 об/мин;
- коэффициент минимальной нагрузки (kr): 0,015;
- расчётный коэффициент (f0): 14,8.
|
Бренд
|
ArtNC |
|
Сепаратор
|
стальной |
|
Уплотнение
|
стальные пластины с двух сторон |
|
Зазор / преднатяг
|
CN - нормальный зазор |
|
Внутренний диаметр, мм
|
10 |
|
Наружный диаметр, мм
|
19 |
|
Ширина, мм
|
5 |
|
Вес, кг
|
0.005 |