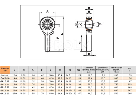
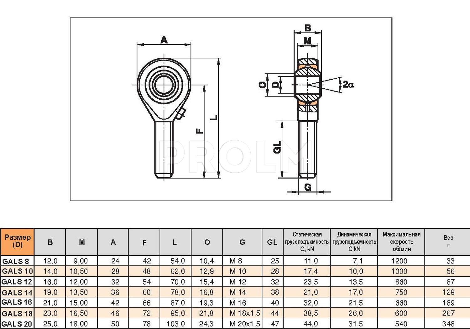
FLURO GALS 10 — шарнирный подшипник с внутренней резьбой диаметром 10 мм. Предназначен для работы в узлах, где требуется высокая подвижность, способность воспринимать радиальные и осевые нагрузки, а также компенсация угловых отклонений. Применяется в гидравлических цилиндрах, сельскохозяйственной, строительной и автомобильной технике.
Характеристики:
- внутренний диаметр: 10 мм;
- внешний диаметр: 28 мм;
- ширина: 14 мм;
- вес: 0,07 кг.
Преимущества:
- компактность;
- компенсация угловых смещений;
- высокая прочность;
- долговечность;
- универсальность монтажа.
|
Бренд
|
FLURO |
|
Внутренний диаметр, мм
|
10 |
|
Наружный диаметр, мм
|
28 |
|
Ширина, мм
|
14 |
|
Вес, кг
|
0.07 |