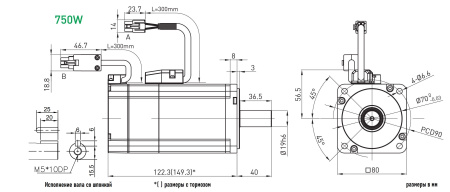
Серводвигатель EM1-C-M-75-2-0-F-0-D относится к серии сервоприводов E1. Основные технические характеристики двигателя приведенные в таблице ниже. Двигатель имеет встроенный 23 битный абсолютный энкодер. Степень защиты - IP65 (разьемы IP20, вал IP40). Вал двигателя под шпонку, с сальником, диаметром 19мм.
| Мощность, кВт (S1) | Крутящий момент, Нм | Крутящий момент пиковый, Нм | Частота вращения номинальная (максимальная), об/мин | Момент инерции ротора,г*см*см | Размер фланца, мм |
| 0,75 | 2,4 | 8,36 | 3000 (6000) | 1440 | 80 |
Управление двигателем осуществляется через драйвер ED1S-VN-1023-A0, подключение к драйверу - силовым HVPS04AB__MB и энкодерным HVE13IAB__MB кабелями.
|
Бренд
|
HIWIN |
|
Момент удержания, Нм
|
2.4 |
|
Момент (пиковый), Нм
|
8.36 |
|
Скорость, об/мин
|
3000 |
|
Скорость (максимальная), об/мин
|
6000 |
|
Энкодер
|
23 бит А |
|
Ток пик, A
|
18.6 |
|
Ток, A
|
4.65 |
|
Фланец, мм
|
80 |
|
Мощность, кВт
|
0.75 |
|
Диаметр вала, мм
|
19 |
|
Степень защиты
|
IP65 |
|
Тормоз
|
нет |
|
Диапазон рабочих температур, °C
|
от 0 до +50 |
|
Момент инерции ротора, г*см.кв.
|
1440 |
|
Напряжение, В
|
220 |
|
Режим работы
|
S1 |
|
PCD, мм
|
90 |
|
Класс изоляции
|
F |
|
Серия сервопривода
|
EM1 |
|
Длина, мм
|
162 |
|
Высота, мм
|
80 |
|
Ширина, мм
|
80 |
|
Центрирующий поясок, мм
|
70 |
|
Вес, кг
|
4 |