Выбор ШВП. Важнейшие параметры
В сегодняшней статье мы рассмотрим такой типовой для станков узел как ШВП (сокращенное название от слов: шарико-винтовая передача, шарико-винтовая пара, шарико-винтовой привод или также от часто встречающихся вариаций написания "шариковинтовая передача", "шариковая винтовая пара" и т.д.).
Данный, часто незаменимый, элемент является довольно заурядным для инженера-конструктора с опытом проектирования станков, но весьма незаурядный для тех, кто первый раз с ним столкнулся. Мы рассмотрим ШВП со стороны человека, не имеющего специального образования в данной сфере, но желающего собрать для себя или может быть с коммерческими целями станок с ЧПУ. Мы не станем описывать общие принципы работы, расписывать и зарисовывать как перекатываются шарики в гайке, какой формы бывают эти самые гайки - всю эту информацию вы с лёгкостью найдете в сети. Рассмотрим параметры ШВП, непосредственно влияющие на качественные характеристики станка: скорость, точность, нагрузочная способность.
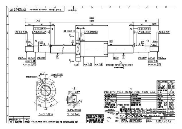
Трудно выделить главное, поэтому представим себя в роли покупателя, желающего приобрести столь важную и определяющую немалую часть технических характеристик станка деталь – ШВП. После беглого ознакомления с массой сайтов мы узнем, что определяющие параметры - диаметр и шаг этой самой шарико-винтовой передачи. У любого из продавцов найдем: ШВП 16х5 (к примеру) – длина такая то, тип гайки и … И вроде бы все понятно, но так ли просто? Для чего эти умудрённые опытом инженеры имеют столь серьезный вид выбирая ШВП? И так ли с нами честны продавцы, акцентируя внимание только на этих параметрах? Задуматься об этом вас заставит чертеж обычного ШВП.
В дальнейшем будем приводить лишь фрагменты для упрощения чтения и чтобы каждый раз не к полноразмерному документу. Это стандартный чертеж с массой нормируемых параметров, по которому осуществляется реальное производство. Важно отметить, что параметры гайки и винта тесно между собой связаны и связаны неразрывно. То есть переставив гайку на другой, вроде бы «такой же винт», вы уже получите несколько иные - но казалось бы вроде «такие же характеристики». Если же вы приобретаете изделие с неоговоренными аналогично иллюстрации параметрами или отдельно гайку и винт – задумайтесь, купили ли вы это для станка или вам нужен винтовой домкрат? Винт есть и там, и там.
Наверное нет смысла описывать геометрические параметры и допуски. У каждого в школе было черчение, а компенсировать пробелы в базовом образовании не является целью этой статьи, поэтому рассмотрим непосредственно характеристики (технические данные) указанные в табличной части. За исключением одного маленького значка – закрашенного наполовину кружочка.
Это зона переходного отпуска. Дорожки качения в этой зоне имеют меньшую твердость по отношению к остальной закаленной части. И этот тот предел, за который не рекомендуется перегонять гайку в процессе эксплуатации. Наличие этой части обусловлено технологическими процессами при обработке ШВП под подшипниковый узел. Длина этой части вариативна и зависит как от диаметра винта, так и от применяемой схемы отпуска. Вам важно лишь запомнить, что это конечная точка пути для торца гайки.
Далее по порядку и начнем непосредственно с обозначения.
- 4 – число заходов винта. Для потребителя эта информация не несет должным счетом ничего. Можно, конечно, порассуждать о том, что это повышает ремонтопригодность ШВП в последствии по отношению к примеру, к 2-м заходам винта, поскольку позволяет установить новую гайку на новые (неиспользовавшиеся) дорожки качения, но, во-первых, это зависит от конструктивных особенностей гайки, а во-вторых, как отмечалось ранее, соблюсти характеристики винт-гайка при установке новой непросто, хотя и возможно, если у вас изначально имелся полный чертеж. Если обобщить, то этот параметр (число заходов винта) скорее информационный.
- R – говорит о правой резьбе. К слову сказать, левосторонняя используется не часто, и в основном там, где требуется обеспечить синхронное схождение – расхождение механизма без значительного усложнения кинематики.
- 20 – габарит винта. Величина, зачастую принимаемая за внешний диаметр винта, но не всегда ему на 100% соответствующая, особенно в накатных винтах. Отличия реального размера как правило невелики от габаритной величины, но могут быть критичны в точных механизмах – обращаем внимание.
- 20К3 – значения относящееся к гайке указывающие на габаритный размер винта (20), для которого предназначена, схему рециркуляции тел качения и число циркулирующих контуров (К3). Опять же, значения для конечного пользователя интересные мало, тем не менее определяющие некоторые технические параметры. В частности, максимально возможную скорость вращения винта, косвенно нагрузочные характеристики, а также шумовые.
- FSCNW – сама гайка c уплотнением. В данном случае FSC: фланцевая, одинарная с кассетным типом рециркуляции. NW – уплотнение из синтетической резины. Стоит отметить, что весьма распространённым типом уплотнения является фторопластовое, однако уплотнением его можно назвать с натяжкой, поскольку в нем не обеспечивается плотность прилегания к профилю винта и соответственно необходимая герметизация внутренней части гайки. Учитывая тот факт, что одной из самых распространённых причин выхода из строя гайки является засорение каналов рециркуляции и их последующее выдавливание шариками - имеет смысл при выборе ШВП обратить самое пристальное внимание на уплотнение.
- 2380 – длина винтовой части.
- 2500 – общая длина винта.
- 0.05 – указывает на накопленную погрешность на 300 мм длины винтовой части. Т.е. эти цифры характеризуют непосредственно точность. В данном случае отклонение может составить до 50 микрон на каждые 300 мм хода.
Более подробная информация по типам гаек, винтов их видам и конструктивным особенностям находится в каталогах производителей, которые, как правило, имеются в свободном доступе.
Теперь к табличной части. Рассмотрим ее по частям.
Как вы можете заметить некоторые строки незаполненные. Это данные предоставляемые клиентом при производстве ШВП под конкретные проектные требования. В нашем случае к ШВП специальных требований не было.
Support method – fixed-fixed. Указывает на схему крепления ШВП в подшипниковых опорах – две фиксированные.
Critical speed – максимально допустимая частота вращения. Из этой величины мы легко можем посчитать предельную линейную скорость движения гайки умножив ее на шаг винта. В нашем случае 668х20 = 13 360 мм/мин. Важно знать, что эта величина зависит от диаметра винта, его длины и схемы фиксации в подшипниках. Если поменять тип подшипниковой опоры с одной стороны, то допустимые обороты будут другими.
V300p – накопленная погрешность на 300 мм длины винта. В нашем случае это 0,05 мм – наиболее типовое значение для станков общего назначения. На практике это говорит о том, что отклонение на 300-миллиметровой длине винта не превысит 50 микрон. Может показаться, что это много, но это отклонение от АБСОЛЮТНОЙ величины при 20ᴼС ±1ᴼС! Т.е. к примеру, вместо заданных 300 мм, в реальности, ось станка может пройти 300,05 мм. На сколько это будет критично – решать вам. Всегда можно купить ШВП с более высоким классом точности. Но нужно ли это реально? Высокие точности подразумевают и высокие точности остальных элементов системы, в том числе и непосредственно базы станка. Рассуждения на тему как создать ультрапрецизионный станок оставим на потом, а что касается типовых применений, то на наш взгляд данного класса точности ШВП более чем достаточно. В своих проектах мы используем именно этот класс точности.
ер – это максимальная общая погрешность винта на всей длине. По сути это расчетная величина равная длине винтовой части разделенной на 300 и умноженной на V300p. Носит скорее информационный характер для конкретного винта. В остальной части указываются общие точностные нормы (normal tolerance) для размеров, допуски по которым не указаны на чертеже.
Перейдем к наиболее информативной табличной части.
Для удобства геометрические параметры винта, указанные в таблице, представим в виде единой иллюстрации с обозначениями, указанными на английском и русском языках.
Preload – предварительный натяг. Величина указывающая на эквивалентную нагрузку приложенную к гайке ШВП. Чем она больше, тем выше жесткость пары винт-гайка. Само наличие этого параметра указывает, на то что система беззазорная. Т.е. гайка не имеет свободного хода. Это крайне важно для станков построенных с использованием линейных направляющих. Несмотря на то, что даже хоббийные системы ЧПУ позволяют учесть люфт механической системы с целю его компенсации, работает это не так хорошо, как хотелось бы, а точнее не работает совсем. Причиной этого является увод механизма посредствам рабочего инструмента (фрезы к примеру) во время обработки детали. Забавно, что компенсация люфта в ЧПУ может довольно неплохо работать в системах, построенных на направляющих скольжения по схеме «ласточкин хвост». Опять же не будем углубляться в теорию почему так происходит, просто стоит запомнить, что в станках на направляющих качения винты должны быть с преднатягом. Сам по себе преднатяг вещь не бесплатная, т.к. для его обеспечения требуется соблюсти высокие точностные параметры для пары винт-гайка, а уж тем более для его нормирования в заданных пределах, как в нашем случае - 40 кг. Казалось бы, зачем нормировать? Берем с запасом! Однако не так все просто. Увеличение предварительного натяга ведет к сокращению срока службы ШВП, ведь как мы помним это эквивалент приложенной нагрузки, а значит даже без нагрузки от механизма, ШВП уже работает с нагрузкой. Дополнительно так же возрастает момент, требуемый даже для холостого вращения винта, что поведет за собой увеличение мощности привода. Исходя из многолетнего накопленного опыта для общепромышленного применения считаем наиболее оптимальным выбор натяга в 4-5% относительно динамической нагрузочной способности ШВП (как в нашем случае). В системах с ударной и жесткой вибрационной нагрузкой преднатяг стоит выбирать в диапазоне 7-10%. Ну и для систем требующих особой плавности хода – не более 2%. Описанное выше вовсе не говорит о том, что ШВП с зазором не имеют права на жизнь. Есть множество механизмов где зазор в разумных пределах вообще никак не скажется на результате работы, но в варианте построения станка, коим мы задались ранее, зазор не приемлем.
S.F. (starting force) – сила страгивания гайки (без нагрузки). Измеряется динамометром по касательной к окружности гайки при тяге за одно из крепежных отверстий. Выражается в килограммах силы. Если форма гайки отлична от круглой - например, квадратная, то точка приложения нагрузки дополнительно указывается на чертеже.
DRAG TORQUE – так же как и starting force указывает силу требуемую для страгивания (начала движения) гайки без нагрузки, только выражена в килограммах силы на сантиметр. Величина более удобная для применения в расчетной части, нежели S.F. Эти величины легко пересчитываются друг в друга, поэтому даже если указана одна из них, то это можно считать достаточным.
DIRECTION OF TURN – указывает на направление захода винта. В нашем случае «R» – правозаходний.
BACKLASH – указывает осевой люфт. У нас «0», а значит система с преднатягом.
CIRCUIT – число шариковых витков несущих нагрузку.
LEAD ANGLE – угол подъема винтовой канавки.
DYNAMIC (kgf) – динамическая нагрузочная способность винта в килограммах силы. Величина, при приложении которой ресурс винта составит 1 000 000 оборотов (c 90% вероятностью). Данная величина важна сугубо для расчетной части и не является рекомендуемой. Рекомендуемая эксплуатационная величина нагрузки на винт составляет 20-25% от динамической. В этом случае расчетный ресурс составит 64 - 125 миллионов оборотов (опять же с 90% вероятностью). Однако, в зависимости от конкретных условий работы, конструктор может использовать и другие величины прилагаемых нагрузок.
STATIC (kgf) – статическая нагрузочная способность винта в килограммах силы. Сила, при приложении которой остаточная деформация между шариком и дорожкой качения составит 0,0001х диаметр шарика. Как вы сами понимаете нагружать ШВП до этой величины не стоит, даже кратковременно.
Купить ШВП по выгодной цене вы можете в соответствующих разделах нашего интернет-магазина.
